Bureau of Meteorology logo
 
                           

Sydney

                                                                                                   

Urban Water - Sydney Water Corporation

                             

Summary of the water distribution system

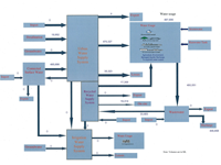
Figure 1 and tables 1–7 summarise the water distribution for Sydney Water Corporation (SWC) for 2009-10. The tables provide a breakdown for values shown in Figure 1. Notes for the values provided in tables 1–7 are available after Table 7.

 

Figure1. Diagram of water distribution summary for Sydney Water Corporation for 2009–10

Figure1. Diagram of water distribution summary for Sydney Water Corporation for 2009–10


Table 1. Sources of water supplied to the urban water distribution system
Item Sources of water Volume (ML) Note identifier
1 Delivered via the water supply system Water sourced from external entity Not applicable  
2 Water sourced from surface water 485,698 SWC_U1
3 Water sourced from groundwater Not applicable  
4 Water sourced from desalination 19,952 SWC_U3
5 Water sourced from recycling Not applicable  
6 Total water sourced  505,650 Items (2+4)
 


Table 2. Water use via urban water distribution system
Item Water usage Volume (ML) Note identifier
1 Residential – potable water 326,826 SWC_U9
2 Residential – nonpotable water 0  
3 Commercial, industrial, municipal – potable water 108,738 SWC_U10
4 Commercial, industrial, municipal – nonpotable water 0  
5 Agricultural – potable water 5,336 SWC_U11 for agriculture
6 Other supplies – potable water 29,427 SWC_U11 for other
7 Total water use 470,327 Sum of items 1 to 6
 


Table 3. Urban water supply system losses
Item Losses Volume (ML) Note identifier
1 Losses from potable, nonpotable water supplies 35,323 SWC_U15 & U17
2 Losses from recycled water supplies Not available   
3 Total water losses 35,323  Item 1
 


Table 4. Wastewater collected and treated
Item Wastewater collected and treated Volume (ML) Note identifier
1 Wastewater collected within the entity 480,551 SWC_U19a*
2 Wastewater collected from external entity 0  
3 Total wastewater collected and treated 480,551 Item 1
* SWC_U19a which is the note for wastewater collected also applies for wastewater treated.


Table 5. Treated wastewater discharged
Item Wastewater discharged Volume (ML) Note identifier
1 Treated wastewater discharged to surface water 51,834 SWC_U22
2 Treated wastewater discharged to ocean 395,034 SWC_U23
3 Total volume discharged 446,868 Items (1 + 2)
 


Table 6. Recycled water produced and supplied
Item Recycled water produced and supplied Volume (ML) Note identifier
1 Total recycled water produced 33,683 SWC_U30
2 Recycled water supplied to residential 2,209 SWC_U31
3 Recycled water supplied to commercial, industrial, municipal 7,537 SWC_U32
4 Recycled water supplied to agricultural 5,643 SWC_U33 for agriculture
5 Recycled water supplied to environment 1,980 SWC_U33 for irrigation
6 Recycled water use on-site / in-process 16,314 SWC_U34
7 Total recycled water supplied 17,369*  Items (2+3+4+5)*
  * Item 6 is not included as part of the supplies.


Table 7. Total water use
Item Component Volume (ML) Reference
1 Water use from potable and nonpotable water supply 470,327 Table 2
2 Water use from recycled water supply 17,369 Table 6
3 Total water use 487,696 Items (1 + 2)
         

U1 Volume of water taken from surface water for water supply

SWC_U1 See the following table for volumes

Data source

Data managed and maintained in an internal data management system by Sydney Water Corporation’s Operations Division (Hydraulic Systems Services).

Data provider

Sydney Water Corporation.

Method

This item represents the total volume of surface water taken for water supply. The following table presents volumes of potable water produced at water treatment plants. The table presents volumes recorded by the bulk supplier, the Sydney Catchment Authority (SCA), to the water treatment plants and received volumes recorded by Sydney Water Corporation. Supplies to North Richmond Water Treatment Plant (WTP), as well as water delivery from the plant, are made by Sydney Water Corporation.

 

Surface water taken at water treatment plants Volume recorded by the Sydney Catchment Authority (ML) Volume recorded by Sydney Water Corporation (ML)
Cascade 3,897 3,496
Illawarra 29,912 30,857
Macarthur 25,883 25,343
Nepean 3,770 3,536
Orchard Hills 21002 21,332
Prospect 374,505 376,007
Warragamba 1,145 1,103
Woronora 18,108 17,959
Subtotal 478,222 479,633
North Richmond (volume recorded by Sydney Water Corporation) 6,065
Total volume 484,287 485,698


Volumes from SCA are based on full-bore magnetic flow meter readings to measure water diverted to urban utilities from the storage reservoirs. Sources of SCA data include invoices to retail water utilities, the daily returns system database and Integrated Instrumentation Control Automation and Telemetry System (IICATS) meter readings.

Sydney Water Corporation volumes are derived from metered outflow data from water treatment plants. The flow meter data are continually monitored and recorded using IICATS. The data are stored within an internal data management system. Adjustments are made to the data (if necessary) to correct any interruptions, errors and so on. Data have been extracted for the reporting period from the data management system.

Although this UrbanSAT note is based on data provided by Sydney Water Corporation the accounting statements for the Sydney Region show the volumes recorded by the bulk supplier, to maintain consistency in calculating (see Line item 14.7.4). The data suppliers suggest limits of meter accuracy as the cause for the difference.

Uncertainty

Volumes for both SCA and Sydney Water Corporation have been based on measured data. Estimated accuracy based on meter accuracy is +/–2%.

Assumptions, approximations and caveats/limitations

The output volume recorded by Sydney Water Corporation at the Illawarra WTP includes an unfiltered component of 4,660 ML.

 

U3 Volume of water taken (import) from desalination for water supply

SWC_U3     19,952 ML

Data source

Data managed and maintained in an internal data management system by Sydney Water Corporation’s Operations Division (Hydraulic Systems Services).

Data provider

Sydney Water Corporation.

Method

This item represents the total volume of desalinated water taken for water supply from the Kurnell Desalination Plant. The volume is derived from metered data on output volume of desalinated water from the plant.

Uncertainty

The volume is based on measured data. Estimated uncertainty based on meter accuracy is +/–2%.

Assumptions, approximations and caveats/limitations

In order to produce and supply 19,952 ML of desalinated water, an estimated volume of 67,061 ML of salt water was drawn from the sea. The residual hypersaline concentrate (approximately 47,109 ML) was returned to the sea.

 

U9 Volume of potable water supplied for residential use

SWC_U9     326,826 ML

Data source

Table 13 of Sydney Water Corporation’s Water Conservation and Recycling Implementation Report 2009–10.

Data provider

Sydney Water Corporation.

Method

This item represents the total volume of potable water supplied for residential use. Sydney Water Corporation uses a water balance approach to determine volume of potable water supplied from the potable water supply system (Water Conservation and Recycling Implementation Report 2009–10). The water balance is a reconciliation of the volume of water produced by the water treatment plants with all known and estimated end uses.

Uncertainty

The volume is based on measured data and the water balance. Estimated uncertainty based on meter accuracy and professional judgment is +/–2%.

Assumptions, approximations and caveats/limitations

Nil.

 

U10 Volume of potable water supplied for commercial, industrial and municipal uses

SWC_U10     108,738 ML

Data source

Table 13 of Sydney Water Corporation’s Water Conservation and Recycling Implementation Report 2009–10.

Data provider

Sydney Water Corporation.

Method

This item represents the total volume of potable water supplied for commercial, industrial and municipal use. The volume derived is based on the water balance method described in Table 13 of the Water Conservation and Recycling Implementation Report 2009–10. The water balance is a reconciliation of the volume of water produced by the water treatment plants with all known and estimated end uses.

Uncertainty

The volume is based on measured data and the water balance. Estimated uncertainty based on meter accuracy and professional judgment is +/–2%.

Assumptions, approximations and caveats/limitations

Nil.
 

U11 Volume of potable water supplied other than for residential, commercial, municipal and industrial uses

SWC_U11     34,763 ML

The volume comprises 5,336 ML for agriculture and29,427 ML for other uses, including non-metered, unbilled components (see the table below for the details).

Data source

Tables 12 and 13 of Sydney Water Corporation’s Water Conservation and Recycling Implementation Report 2009–10.

Data provider

Sydney Water Corporation.

Method

This item represents the total volume of potable water supplied other than for residential, commercial, industrial and municipal use. The volume includes the following components derived from water balance calculations and the measured data at each water treatment plant. The water balance is a reconciliation of the volume of water produced by the water treatment plants with all known and estimated end uses.

 

Component Volume (ML) Source*
Billed metered primary producers 5,336 Derived from water balance in Table 13
Billed metered other 8,756 Derived from water balance in Table 13
Billed unmetered 2,545 Estimate used in water balance in the water balance in Table 13
Unbilled metered and unbilled 4,693 Estimate used in water balance in the water balance in Table 13
Unauthorised 502 Estimate used in water balance in the water balance in Table 12
Meter under-registration 9,180 Estimate used in water balance in the water balance in Table 12
Water balance—billing cycle 3,586 Measured data at each water treatment plant and Table 12
Unexplained difference 165 Unexplained difference based on a reconciliation of the volume of water produced by the water treatment plants with all known and estimated end uses
Total 34,763  
   

* All tables are from the Water Conservation and Recycling Implementation Report 2009–10.

Uncertainty

Ungraded.

Assumptions, approximations and caveats/limitations

The component ‘billed primary producers’ (5,336 ML) is taken as ‘supply to agriculture’, and total of the remaining components (29,427 ML) is taken as ‘other supplies including non-metered, unbilled components’.

 

U15 Background leakage from potable water supply system

and

 

U17 Other losses (e.g. pipe bursts) from potable water supply system

Background leakage represents water loss from the system in slow, diffuse or continuous egress forms. A burst is a rupture at a point in the system that generally results in loss of water in fast, point-based, or event-based egress forms.

Data provided as U15 and U17 are used for representing the total loss due to background leakage and pipe bursts from the potable water supply system. A breakdown on these items is not available. The total volume of leakage and loss is taken as an input to the ‘Landscape’ water store as the breakdown of the component entering ‘groundwater’ is not available separately.

SWC_U15 and SWC_U17     35,323 ML

Data source

Tables 12 and 13 of Sydney Water Corporation’s Water Conservation and Recycling Implementation Report 2009–10.

Data provider

Sydney Water Corporation.

Method

Sydney Water Corporation uses a global water balance approach to determine leakage and loss from the potable water supply system. The water balance is a reconciliation of the volume of water produced by the water treatment plants with all known and estimated end uses. The remainder is classified as leakage.

Uncertainty

Measured and estimated data used in the water balance calculation contribute to uncertainty of leakage volumes. As leakage volumes calculated via a water balance are proportionally small, residual errors tend to be magnified. The uncertainty band on leakage as calculated by an annual water balance is estimated to be about +/–25% with a 95% confidence limit.

Assumptions, approximations and caveats/limitations

Nil.

 

U19a Volume of wastewater collected

Note: Information used in U19b is assumed to be applicable to U19a, losses from wastewater treatment process is assumed to be negligible.

 

U19b Volume of wastewater treated

The item represents wastewater collected and treated at Sydney Water Corporation’s wastewater treatment plants and water recycling plants. The item comprises two components:

  • U19b Component 1 is the volume derived from the addition of the total volume of (treated) wastewater discharged to surface water, to the sea and the volume of recycled water produced for supply (464,237 ML)
  • U19b Component 2 is the volume derived from measured data on recycled water used on-site (16 314 ML; see U34).
  • SWC_U19b (Component 1) + SWC_U19b (Component 2) = 480,551 ML.

Data source

Component 1: Data managed and maintained in an internal data management system by Sydney Water Corporation’s Operations Division (Systems Assurance).

Component 2: Data sourced from DataMart data management system and presented in Sydney Water Corporation’s Water Conservation and Recycling Implementation Report 2009–10.

Data provider

Sydney Water Corporation.

Method

The total volume of wastewater collected and treated at Sydney Water Corporation’s wastewater treatment plants and water recycling plants is derived as follows:

  • Component 1 (see the following table for the breakdown based on Component 1) = 464,237 ML, which is an estimated volume derived from the addition of :
    • total volume of (treated) wastewater discharged to surface water
    • total volume of (treated) wastewater discharged to the sea
    • volume of recycled water produced for supply.
  • Component 2 = 16,314 ML, which is the volume derived from measured data, sourced from DataMart, on recycled water used on-site (see U34 for the breakdown).
Plant type Wastewater treatment plant Volume of effluent treated (excluding volume treated for on-site use)(ML) Where the treated effluent was discharged to
Water recycling Bombo 1,412 Sea
Castle Hill 2,745 Surface water
Gerroa 289 Sea
Glenfield 101 Surface water
Liverpool 1,501 Surface water
Penrith 8,376 Surface water
Picton 466 Surface water
Quakers Hill 11,568 Surface water
Richmond 576 Surface water
Rouse Hill 5,722 Surface water
St Marys 12,546 Surface water
West Camden 3,578 Surface water
Wollongong 18,948 Sea
Wastewater treatment Bellambi* 356 Sea
Bondi 44,548 Sea
Brooklyn 75 Surface water
Cronulla 18,865 Sea
Fairfield* 872 Surface water
Hornsby Heights 2,106 Surface water
Malabar 171,557 Sea
North Head 133,570 Sea
North Richmond 292 Surface water
Port Kembla* 505 Sea
Riverstone 600 Surface water
Shellharbour 6,056 Sea
Wallacia 211 Surface water
Warriewood 5,811 Sea
West Hornsby 4,520 Surface water
Winmalee 6,465 Surface water
Total

                                 464,237

 
       

* A wet-weather wastewater treatment plant, which is only used during major storms.

Volumes for both components have been derived from metered outflow data from the plants. The flow meter data are continually monitored and recorded using the Integrated Instrumentation Control Automation and Telemetry System (IICATS). The data are stored within an internal data management system. Adjustments are made to the data (if necessary) to correct any interruptions, errors and so on. From the data management system, data have been extracted for the reporting period.

Uncertainty

The volume is based on measured data. Estimated uncertainty based on meter accuracy is +/–2%.

Assumptions, approximations and caveats/limitations

The volume does not include water losses in the treatment process including biosolid removal, de-watering and evaporation.

Total wastewater treated can include net ingress from stormwater and groundwater.

At wet-weather wastewater treatment plants, wastewater treated usually also includes a certain volume of stormwater.

 

U22 Volume of (treated) wastewater discharged to surface water

SWC_U22     51,834 ML

Data source

Data managed and maintained in an internal data management system by the Sydney Water Corporation’s Operations Division (Systems Assurance).

Data provider

Sydney Water Corporation.

Method

The item represents the total metered volume of treated wastewater discharge to surface water from wastewater treatment plants and water recycling plants managed by Sydney Water Corporation.

The flow of wastewater from the plants is measured using flow meters. These measured data are continually monitored and recorded using the Integrated Instrumentation Control Automation and Telemetry System (IICATS). The data is stored within an internal data management system. Adjustments are made to the data (if necessary) to correct any interruptions, errors and so on. From the data management system, data have been extracted for the reporting period.

 

Plant type Name of the plant Discharging to watercourse Volume discharged during 2009–10 (ML)
Water recycling   Castle Hill Cattai Creek 2,645
Glenfield Georges River 101
Liverpool Georges River 1,361
Penrith Boundary Creek 8,356
Picton Stonequarry Creek 0
Quakers Hill Breakfast Creek 11,369
Richmond Rickabys Creek 223
Rouse Hill Second Ponds Creek 3,513
St Marys South Creek 7,999
West Camden Matahil Creek 1,126
Wastewater treatment               Brooklyn Hawkesbury River 75
Fairfield Orphan School Creek 872
Hornsby Heights Calna Creek 2,106
North Richmond Redbank Creek 292
Riverstone Eastern Creek 600
Wallacia Warragamba River 211
West Hornsby Waitara Creek 4,520
Winmalee Nepean River 6,465
Total 51,834

 

Uncertainty

The volume is based on measured data. Estimated uncertainty based on meter accuracy is +/–2%.

Assumptions, approximations and caveats/limitations

The discharges from Sydney Water Corporation’s treatment plants must comply with licences issued by the Australian Government Department of Environment, Climate Change and Water (DECCW). These licences specify the quantity and quality of treated wastewater that can be released to rivers and the ocean. The level of treatment ranges from primary to tertiary.
 

U23 Volume of (treated) wastewater discharged to sea or out of entity

SWC_U23     395,034 ML

Data source

Data managed and maintained in an internal data management system by the Sydney Water Corporation’s Operations Division (Systems Assurance).

Data provider

Sydney Water Corporation.

Method

The value represents the total volume of treated wastewater discharged to the sea from wastewater treatment plants and water recycling plants managed by Sydney Water Corporation. The value is based on flow meter readings.

The flow of wastewater from the plants is measured using flow meters. These measured data are continually monitored and recorded using the Integrated Instrumentation Control Automation and Telemetry System (IICATS). The data are stored within an internal data management system. Adjustments are made to the data (if necessary) to correct any interruptions, errors and so on. From the data management system, data have been extracted for the reporting period.

 

Plant type Name of the plant Discharge to sea volume (ML)
Wastewater treatment Bellambi 356
Port Kembla 505
Warriewood 5,811
Shellharbour 6,056
Cronulla 18,865
Bondi 44,548
North Head 133,570
Malabar 171,557
Water recycling Gerroa 148
Bombo 1,327
Wollongong 12,291
  Total 395,034

 

Uncertainty

The volume is based on measured data. Estimated uncertainty based on meter accuracy is +/–2%.

Assumptions, approximations and caveats/limitations

The discharges from Sydney Water Corporation’s treatment plants must comply with licences issued by the Australian Government Department of Environment, Climate Change and Water (DECCW). These licences specify the quantity and quality of treated wastewater that can be released to rivers and the ocean. The level of treatment ranges from primary to tertiary.

 

U30 Volume of recycled water produced from sewage

SWC_U30     33,683 ML

Data source

Metered data reported in Sydney Water Corporation’s Water Conservation and Recycling Implementation Report 2009–10.

Data provider

Sydney Water Corporation.

Method

This item represents the total volume of recycled water produced at water recycling plants managed by Sydney Water Corporation. The total is derived by the addition of:

  • the metered volume of 17,369 ML recycled water produced for supplies as specified in U31, U32 and U33 (see the table below)
  • an estimated volume of 1,314 ML recycled water used on-site (see U34).

 

Water recycling plant Recycled water Volume (ML)
Bombo 85
Castle Hill 100
Gerroa 141
Glenfield 0
Liverpool 140
Picton 466
Penrith 20
Quakers Hill 199
Richmond 353
Rouse Hill 2,209
St Marys 4,547
West Camden 2,452
Wollongong 6,657
Total (excluding on-site use) 17,369

 

Uncertainty

 The volume is based on measured data. Estimated uncertainty based on meter accuracy is +/–2%.

Assumptions, approximations and caveats/limitations

Total volume of recycled water produced from sewage is assumed to be equal to the volume of recycled water supplied for use (metered) and the estimated volume of recycled water used on-site.  
 

U31 Volume of recycled water supplied for residential uses

SWC_U31     2,209 ML

Data source

Metered data reported in Sydney Water Corporation’s Water Conservation and Recycling Implementation Report 2009–10.

Data provider

Sydney Water Corporation.

Method

This item represents the total metered volume of recycled water supplied for residential use.

 

Water recycling plant Recycled water supplied volume (ML)
Rouse Hill 2,209

 

Uncertainty

The volume is based on measured data. Estimated uncertainty based on meter accuracy is +/–2%.

Assumptions, approximations and caveats/limitations

Nil.

 

U32 Volume of recycled water supplied for commercial, industrial and municipal uses

SWC_U32     7,537 ML

Data source

Metered data reported in Sydney Water Corporation’s Water Conservation and Recycling Implementation Report 2009–10.

Data provider

Sydney Water Corporation.

Method

This item represents the total metered volume of recycled water supplied for commercial, industrial and municipal uses. The total volume includes:

  • 6,605 ML supplied for industrial uses
  • 880 ML used for municipal uses.

 

Water recycling plant Volume supplied (ML) Recycled water use
Wollongong 6,657 Industrial
Bombo 85 Municipal
Castle Hill 100
Liverpool 140
Penrith 20
Quakers Hill 98
Richmond 353
St Marys 84
Total 7,537  

 

Uncertainty

The volume is based on measured data. Estimated uncertainty based on meter accuracy is +/–2%.

Assumptions, approximations and caveats/limitations

Nil.
 

U33 Volume of recycled water supplied other than for residential, commercial, municipal and industrial uses

SWC_U33:     7,623 ML (including 5,643 ML as SWC_U33 for agriculture; and 1,980 ML as SWC_U33 for environment).

Data source

Metered data reported in Sydney Water Corporation’s Water Conservation and Recycling Implementation Report 2009–10.

Data provider

Sydney Water Corporation.

Method

This item represents the total metered volume of recycled water supplied other than for residential, commercial, industrial and municipal uses. The total volume includes:

  • 5,643 ML supplied for agricultural uses
  • 1,980 ML of recycled water released from St Marys Water Recycling Plant to Boundary Creek (a tributary of the Nepean River).

The volumes have been extracted from measured data used in Sydney Water Corporation’s Water Conservation and Recycling Implementation Report 2009–10. Measured data are based on flow meter readings at water recycling plants.

The flow meter data are continually monitored and recorded using the Integrated Instrumentation Control Automation and Telemetry System (IICATS). The data are stored within an internal data management system. Adjustments are made to the data (if necessary) to correct any interruptions, errors and so on. Data have been extracted for the reporting period from the data management system.

 

Water recycling plant Volume supplied (ML) Recycled water end use
Gerroa 141 Agriculture
Picton 466
Quakers Hill 101
St Mary’s 2,483
West Camden 627
West Camden 1,825
St Marys 1,980 Environment
Total 7,623  

 

Uncertainty

The volume is based on measured data. Estimated uncertainty based on meter accuracy is +/–2%.

Assumptions, approximations and caveats/limitations

Nil.
 

U34 Volume of recycled water used on-site or in-process

SWC_U34     16,314 ML

Data source

Data sourced from DataMart data management system and presented in Sydney Water Corporation’s Water Conservation and Recycling Implementation Report 2009–10.

Data provider

Sydney Water Corporation.

Method

This item represents the total metered volume of recycled water used on-site. The total volume has been derived from measured data, sourced from DataMartdata management system, on recycled water used on-site at each treatment plant.

 

Wastewater treatment plant/water recycling plant Recycled water use on-site (ML)
Bellambi 0
Bombo 85
Bondi 1,464
Brooklyn 46
Castle Hill 294
Cronulla 1,076
Fairfield 0
Gerroa 102
Glenfield 3,028
Hornsby Heights 483
Liverpool 1,215
Malabar 607
North Head 2,583
North Richmond 5
Penrith 301
Picton 3
Port Kembla 0
Quakers Hill 133
Richmond 101
Riverstone 399
Rouse Hill 553
Shellharbour 486
St Marys 1,022
Wallacia 23
Warriewood 567
West Camden 424
West Hornsby 215
Winmalee 86
Wollongong 1,013
Total 16,314

 

Uncertainty

 The volume is based on measured data. Estimated uncertainty based on meter accuracy is +/–2%.

Assumptions, approximations and caveats/limitations

Information is not available to clarify whether this volume of recycled water was used for either on-site indoor purposes, or on-site outdoor or irrigation purposes.